-

Reprogramación Desbloqueo ROM Binario BIOS netbook G4
Uno de los dos métodos para desbloquear la netbook G4 o para solucionar algún problema de corrupción de BIOS es la reprogramación, con este método se pueden solucionar gran cantidad… [+] Leer mas…
-

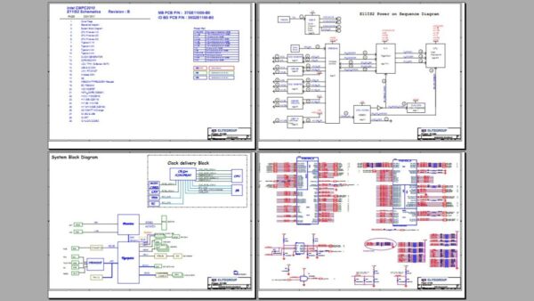
Esquemático netbook G4 conectar igualdad + Boardview Cuarta Generación.
El esquemático de la netbook G4, es un archivo PDF con la mas completa información a nivel electrónico de la motherboard que utiliza esta netbook, aquí encuentras los nombres de… [+] Leer mas…
-

Descargar Atbios para motherboards Gigabyte
Aquí en esta pagina podrás descargar atbios que sirve para actualizar el bios de algunas placas madre o motherboard de Gigabyte, a recordar que la actualización de bios es algo… [+] Leer mas…
-

Esquemático netbook G5 (ECS EF10MIX schematic)
El esquemático o esquema (en ingles schematic) nos muestra como es el circuito completo de la motherboard, con esta información se amplia enormemente la posibilidad de reparar una placa de… [+] Leer mas…
-

Programas para visualizar archivos de boardview CAD FZ BDV TVW BRD PIN
El boardview es una representación minimalista de una placa electrónica, en donde podemos visualizar la posición, pinout y algunas otras cosas de los componentes electrónicos, es una ayuda invaluable para… [+] Leer mas…
-

La instalación de Windows no detecta el Disco Duro o SSD nVME eMMC
Extrañamente cuando estamos comenzando una instalación de Windows 10 o Windows 11 llega el momento de seleccionar el disco duro o unidad de almacenamiento, donde vamos a instalar el sistema,… [+] Leer mas…
-

Desactivar actualizaciones de Drivers en Windows Update y Microsoft Store en Windows 10 y 11
En contra de nuestros deseos Windows 10 y 11 actualiza drivers o controladores de forma automática, la cuestión es que no siempre esto es bueno, de echo esta tarea no… [+] Leer mas…
-

Esquemático netbook G2 G3 Exo X355 plan conectar igualdad
En esta publicación te proporciono en descarga directa el archivo esquemático de uno de los primeros y mas abundantes modelos de las netbook de conectar igualdad, el modelo G2, siendo… [+] Leer mas…
-

Que significan los valores de S.M.A.R.T. en discos
Los discos hace ya bastante tiempo que incorporan una tecnología llamada S.M.A.R.T. (Self Monitoring Analysis Reporting Technology) que permiten que estos mediante diversos parámetros puedan prevenirnos de un posible fallo,… [+] Leer mas…
-

Error cargador Dell. You have attached an undersized 45w power adapter…
Las notebooks Dell son mas exigentes en cuanto a los cargadores, puede ocurrir en ocasiones que al encender tu laptop veas una advertencia con el siguiente texto “Alert! You have… [+] Leer mas…
