Esquemático netbook G12 conectar igualdad MF50GM V1.2
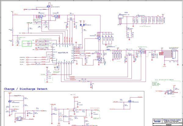
Esquemático para la placa MF50GM V1.2 de la netbook G12, es un archivo PDF y contiene la información mas completa disponible a nivel electrónico de todas las conexiones y componentes de la placa motherboard, con esta información se facilita mucho la reparación.


Este esquemático del fabricante ECS corresponde a la placa MF50GM V1.2, es de uso avanzado y esta orientado a técnicos o quienes quieran aprender, el formato del archivo es PDF y se puede visualizar con cualquier visor de archivos PDF o con el propio programa que se utiliza para navegar en Internet, como Google Chrome, además se incluyen 2 fotos de la motherboard en alta resolución. Algunos equipos que pueden incluir esta placa es la netbook Noblex SF20GM7.
Diagrama MF50GM V1.2 – Esquemático MF50GM V1.2 – MF50GM V1.2 Schematic.
Esquemático + Fotos HD.
SO: Todos.
Tamaño: 3 Mb
Contraseña: www.utiltecnico.com
📥 DESCARGAR (MP)

» ¿No funciona la descarga? infórmalo a utiltecnico@gmail.com
